WEG W21 sähkömoottori 0,37 kW 1500 rpm B3T ALU 71 IE3 230/400 V
Tuotekoodi: THW037B31500
WEG W21 sähkömoottori 0,37 kW 1500 rpm B3T ALU 71 IE3 230/400 V
Tuotekoodi: THW037B31500Tuotekuvaus
WEG W21 Multimounting – 0,37 kW IE3, 3~ 230/400 V
Kompakti ja energiatehokas TEFC-sähkömoottori pumppuihin, puhaltimiin, kuljettimiin ja yleiskäyttöön. Alumiinirunko, irrotettavat jalat ja kääntyvä liitäntäkotelo mahdollistavat joustavan asennuksen: sama moottori käy jalkakiinnitykseen (B3T) ja muihin asentoihin ilman koneistuksia tai erikoisjalustoja.
Miksi tämä moottori
- IE3-energiatehokkuus (IEC 60034-30-1) pienempään sähkönkulutukseen
- Multimounting: irrotettavat jalat, kääntyvä liitäntäkotelo 90° välein
- TEFC, IP55: pölynsuojattu ja roisketiivis vaativiin ympäristöihin
- Kevyt alumiinirunko helpottaa käsittelyä ja asennusta
- S1-jatkuvakäyttö teollisuuden luotettavaan käyttöön
Tekniset tiedot
| Teho | 0,37 kW |
|---|---|
| Napaluku | 4 (synk. 1500 r/min; nimellisnopeus tyyp. ~1400 r/min) |
| Jännite / kytkentä | 3~ 230/400 V, 50 Hz · Δ 230 V / Y 400 V |
| Hyötysuhdeluokka | IE3 (Premium efficiency) |
| Runkokoko | 71 |
| Runko / jalat | Alumiini, irrotettavat jalat (Multimounting) |
| Asennus | B3T jalkakiinnitys, multiasennusmahdollisuudet |
| Liitäntäkotelo | Kääntyvä 90° välein; kaapelointi sivulta tai päältä |
| Kotelointiluokka | IP55 |
| Jäähdytys | IC411, TEFC (täysin suljettu, ulkopuolinen tuuletin) |
| Käyttöluokka | S1 (jatkuva) |
| Eristysluokka | F (lämpötilanousu tyyp. luokka B) |
| Nimellisvääntö | ~2,5 Nm (ohjeellinen) |
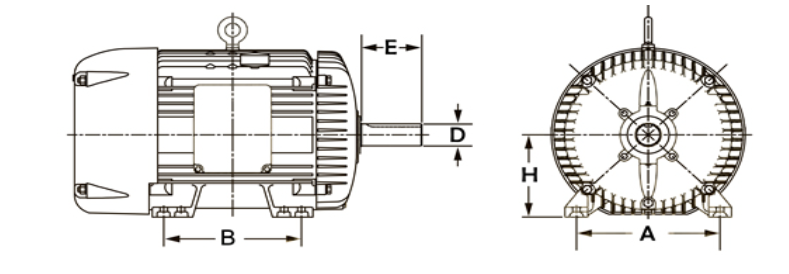
Mekaaniset mitat (IEC 71, B3)
| A – tassujen reikien väli (poikittain) | 112 mm |
|---|---|
| B – tassujen reikien väli (pituussuunta) | 90 mm |
| H – runkokoko / akselikorkeus | 71 mm (IEC 71) |
| D – akselin halkaisija | 14 mm |
| E – akselin vapaapituus | 30 mm |
Tyypilliset käyttökohteet
- Pumput (vesi, kastelu, prosessit)
- Puhaltimet ja ilmankäsittely
- Kuljettimet ja pienet nostolaitteet
- Maatalous- ja teollisuuskoneet
Huomio asennuksessa
- Tarkista akselin mitat, jalustareikien jako ja kytkimen/hihnapyörän sopivuus
- Varmista oikea kytkentä (Δ 230 V / Y 400 V) ja moottorinsuojan asetus
- Suuntaa puhallusaukko vapaaseen tilaan; pidä jäähdytysrivat/puhallin puhtaana