WEG W21 sähkömoottori 0,55 kW 1500 rpm B35T laippa + jalka ALU 80 IE3 230/400 V
Tuotekoodi: THW055B351500

WEG W21 sähkömoottori 0,55 kW 1500 rpm B35T laippa + jalka ALU 80 IE3 230/400 V

Tuotekoodi: THW055B351500

Tuotekuvaus

WEG W21 Multimounting – 0,55 kW IE3, 4-napainen, B35T (jalka + laippa)

Monikäyttöinen 4-napainen (~1500 r/min) yleismoottori kohteisiin, joissa tarvitaan laippa- ja jalkakiinnitys samassa rungossa. Alumiinirunko, irrotettavat jalat ja 90° välein kääntyvä liitäntäkotelo tekevät vaihdosta helppoa ilman koneistuksia. IEC 80 -runkokokoon yhteensopiva vaihtomoottori.

Keskeiset edut

  • IE3 Premium Efficiency – pienempi energiankulutus, parempi elinkaaritalous
  • Multimounting – irrotettavat jalat, kääntyvä liitäntäkotelo, useita asennusasentoja
  • TEFC, IP55 – pölynsuojattu ja roisketiivis teollisuus-, kiinteistö- ja maatalouskäyttöön
  • B35 – laippa + jalat samassa rungossa, suora korvaaja IEC 80 B35 -moottoreille

Tekniset tiedot

Teho0,55 kW
Napamäärä4 (synk. 1500 r/min; nimellisnopeus tyyp. ~1420–1450 r/min @ 50 Hz)
Jännite / taajuus3~ 230/400 V, 50 Hz (alue 220–240 / 380–415 / 440–460 V)
KytkentäΔ 230 V / Y 400 V
HyötysuhdeluokkaIE3 (IEC 60034-30-1)
KäyttöluokkaS1 (jatkuva)
EristysluokkaF
JäähdytysIC411, TEFC (täysin suljettu, ulkopuolinen tuuletin)
KotelointiluokkaIP55
Nimellismomentti≈ 3,6–3,7 Nm @ ~1450 r/min (ohjeellinen)
MallisarjaWEG W21 Aluminium Multimounting
RunkokokoIEC 80
AsennusB35 (laippa + jalat), liitäntäkotelo kääntyvä 90° välein

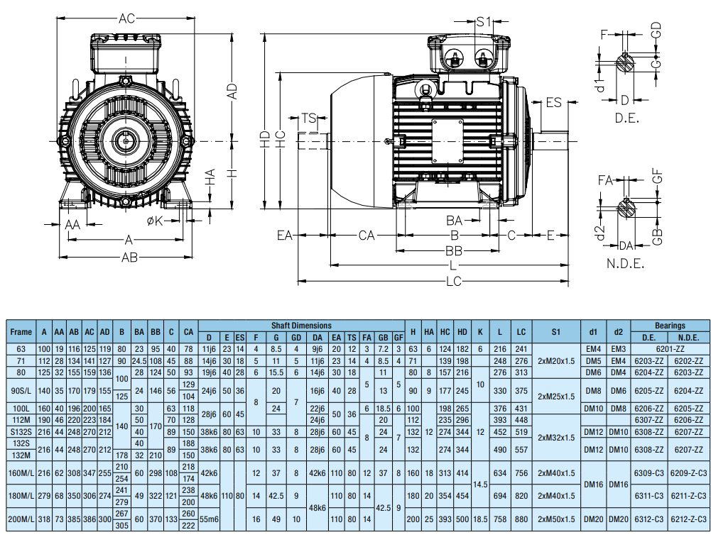
Mekaaniset mitat (IEC 80 – viitteelliset)

Jalka-asennus (B3-perusmitat)

Akselikorkeus80 mm
Tassujen reikien väli (poikittain)125 mm
Tassujen reikien väli (pituussuunta)100 mm
Akselin halkaisija19 mm
Akselin vapaapituus40 mm

Laippa (B5, IEC 80)

Laipan ulkohalkaisija~200 mm
Pulttikehä~165 mm
Keskitys/kaulus~130 mm
Kiinnitysreikiä4 kpl (M8-sopiva reikä)

Sovelluskohteet

  • Pumput, puhaltimet, kuljettimet, kompressorit
  • Koneikot ja kohteet, joissa vaaditaan 4-napainen ~1500 r/min moottori B35-kiinnityksellä

Asennusvinkit

  • Tarkista jalka- ja laippamitat sekä kytkimen/hihnapyörän sovitus ennen asennusta
  • Käytä oikeaa Δ/Y-kytkentää ja säädä moottorinsuoja nimellisvirralle
  • Huolehdi jäähdytysilman kierrosta; pidä puhallin ja jäähdytysrivat puhtaina