WEG W21 sähkömoottori 0,75 kW 1500 rpm B35T laippa + jalka ALU 80 IE3 230/400 V
Tuotekoodi: THW075B351500

WEG W21 sähkömoottori 0,75 kW 1500 rpm B35T laippa + jalka ALU 80 IE3 230/400 V

Tuotekoodi: THW075B351500

Tuotekuvaus

WEG W21 Multimounting – 0,75 kW IE3, 4-napainen, B35T (laippa + jalka)

Monikäyttöinen 4-napainen (~1500 r/min) yleismoottori pumppuihin, puhaltimiin, kuljettimiin ja koneikoihin. B35-rakenne mahdollistaa asennuksen laipasta koneeseen, mutta rungon tukemisen myös jaloista. Alumiinirunko, irrotettavat jalat ja 90° välein kääntyvä liitäntäkotelo helpottavat vaihtoasennuksia ja kaapelointia. Täysin IEC-mitoitettu – suora korvaaja muille IEC 80 B35 -moottoreille.

Keskeiset edut

  • IE3 Premium Efficiency (IEC 60034-30-1) – pienempi sähkönkulutus, parempi elinkaaritalous
  • Multimounting – irrotettavat jalat, kääntyvä liitäntäkotelo, useita asennusasentoja
  • TEFC, IP55 – pölynsuojattu ja roisketiivis vaativiin ympäristöihin
  • IEC-yhteensopiva – mitoitus vastaa yleisiä IEC 80 B35 -moottoreita

Tekniset tiedot

Teho0,75 kW
Napamäärä4 (synk. 1500 r/min; nimellisnopeus tyyp. ~1430 r/min @ 50 Hz)
Nimellismomentti≈ 4,9–5,0 Nm
Jännite / taajuus3~ 230/400 V, 50 Hz (alue 220–230–240 / 380–400–415 V)
KytkentäΔ 230 V / Y 400 V
HyötysuhdeluokkaIE3 (Premium Efficiency)
KotelointiluokkaIP55
JäähdytysIC411, TEFC (täysin suljettu, ulkopuolinen tuuletin)
KäyttöluokkaS1 (jatkuva)
EristysluokkaF (lämpötilanousu tyyp. B)
MallisarjaWEG W21 Aluminium Multimounting
RunkokokoIEC 80
AsennusB35 (laippa + jalka), liitäntäkotelo kääntyvä 90° välein
RunkomateriaaliAlumiini

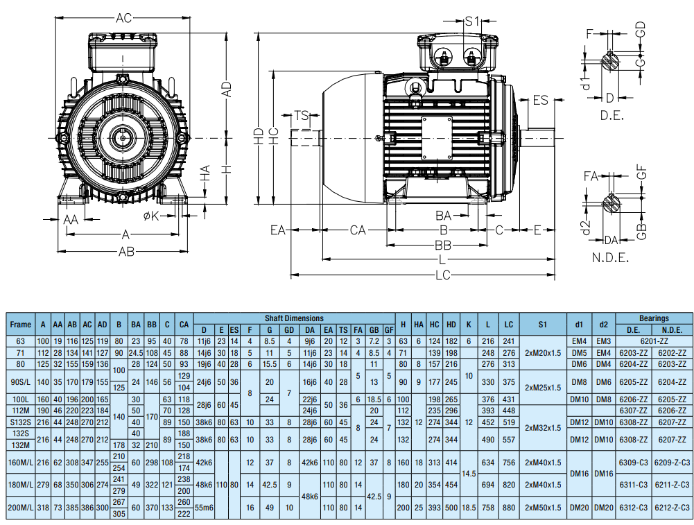
Mekaaniset mitat (IEC 80, viitteelliset)

Jalka-asennus (B3-perusmitat)

Akselikorkeus80 mm
Tassujen reikien väli (poikittain)125 mm
Tassujen reikien väli (pituussuunta)100 mm
Akselin halkaisija19 mm
Akselin vapaapituus40 mm

Laippa B5 (B35-kokoonpano, IEC 80)

Laipan ulkohalkaisija≈ 200 mm
Pulttikehän halkaisija≈ 165 mm
Keskitys/kaulus≈ 130 mm
Kiinnitysreiät4 kpl (M8:lle sopiva)

Sovelluskohteet

  • Pumput, paineenkorotuspumput
  • Puhaltimet ja koneikot
  • Kuljettimet, sekoittimet
  • Muut 4-napaiselle ~1500 r/min moottorille soveltuvat laitteet

Asennusvinkit

  • Tarkista laippa- ja jalustamitat sekä akselin sovitteet ennen vaihtoa
  • Käytä oikeaa Δ/Y-kytkentää ja säädä moottorinsuoja nimellisvirralle
  • Varmista jäähdytysilman kierto; pidä puhallin ja rivat puhtaina