WEG W21 sähkömoottori 0,75 kW 3000 rpm B35T laippa + jalka ALU 80 IE3 230/400 V
Tuotekoodi: THW075B353000

WEG W21 sähkömoottori 0,75 kW 3000 rpm B35T laippa + jalka ALU 80 IE3 230/400 V

Tuotekoodi: THW075B353000

Tuotekuvaus

WEG W21 Multimounting – 0,75 kW IE3, 2-napainen, B35T (laippa + jalka)

Kompakti 2-napainen (~3000 r/min) yleismoottori teollisuus- ja kiinteistökohteisiin. B35-kokoonpano mahdollistaa kiinnityksen suoraan laipasta ja rungon tukemisen jaloista, mikä helpottaa linjausta ja jakaa kuormitusta. Alumiinirunko, irrotettavat jalat ja 90° välein kääntyvä liitäntäkotelo tekevät asennuksesta joustavan ja nopean. IEC-mitoitettu – suora korvaaja muille IEC 80 B35 -moottoreille.

Keskeiset edut

  • IE3 Premium Efficiency (IEC 60034-30-1) – pienempi energiankulutus ja elinkaarikustannus
  • Multimounting – irrotettavat jalat, kääntyvä liitäntäkotelo, useita asennusasentoja
  • TEFC, IP55 – pölynsuojattu ja roisketiivis vaativiin ympäristöihin
  • IEC-yhteensopiva – vaihtomoottori ilman koneistuksia

Tyypilliset käyttökohteet

  • Pumput ja paineenkorotuspumput
  • Puhaltimet ja koneikot
  • Kuljettimet ja syöttölaitteet
  • Muut sovellukset, joissa vaaditaan 2-napainen (~3000 r/min) laippa + jalka -moottori

Tekniset tiedot

Teho0,75 kW
Napamäärä2 (synk. 3000 r/min @ 50 Hz)
Nimellisnopeustyypillisesti ~2850–2900 r/min kuormitettuna
Nimellismomentti≈ 2,5 Nm (@ ~2900 r/min)
Jännite / taajuus3~ 230/400 V, 50 Hz (alue 220–230–240 / 380–400–415 / 480 V)
KytkentäΔ 230 V / Y 400 V
HyötysuhdeluokkaIE3 (Premium Efficiency), IEC 60034-30-1
KotelointiluokkaIP55
JäähdytysIC411, TEFC (täysin suljettu, ulkopuolinen tuuletin)
KäyttöluokkaS1 (jatkuva)
EristysluokkaF
MallisarjaWEG W21 Aluminium Multimounting
RunkokokoIEC 80
AsennusB35 (laippa + jalka), liitäntäkotelo kääntyvä 90° välein
RunkomateriaaliAlumiini

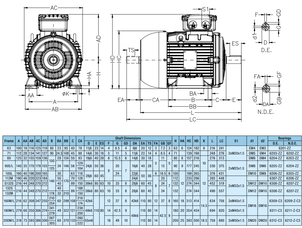
Mekaaniset mitat (IEC 80, B35 – viitteelliset)

Jalka-asennus (B3-perusmitat)

Akselikorkeus80 mm
Tassujen reikien väli (poikittain)125 mm
Tassujen reikien väli (pituussuunta)100 mm
Akselin halkaisija19 mm
Akselin vapaapituus40 mm

Laippa B5 (B35-kokoonpano, IEC 80)

Laipan ulkohalkaisija200 mm
Pulttikehän halkaisija165 mm
Keskitys/kaulus130 mm
Kiinnitysreiät4 kpl (M8:lle sopivat)

Asennusvinkit

  • Varmista laippa- ja jalustamitat sekä akselisovite ennen vaihtoa
  • Käytä oikeaa Δ/Y-kytkentää ja säädä moottorinsuoja nimellisvirralle
  • Huolehdi jäähdytysilman kierrosta; pidä puhallin ja rivat puhtaina