WEG W21 sähkömoottori 11 kW 1500 rpm B3T ALU 160M/L IE3 400/690V
Tuotekoodi: THW110B31500

WEG W21 sähkömoottori 11 kW 1500 rpm B3T ALU 160M/L IE3 400/690V

Tuotekoodi: THW110B31500

Tuotekuvaus

WEG W21 Multimounting – 11 kW IE3, 4-napainen, B3T (jalkakiinnitys)

Tehokas ja energiatehokas 4-napainen (~1500 r/min) yleismoottori vaativaan käyttöön. Alumiinirunko on kevyt käsitellä mutta riittävän jäykkä jatkuvaan S1-käyttöön. Multimounting-rakenne: irrotettavat jalat ja 90° välein kääntyvä liitäntäkotelo helpottavat asennusta useisiin konfiguraatioihin ilman koneistuksia.

Keskeiset edut

  • IE3 Premium Efficiency (IEC 60034-30-1) – pienempi energiankulutus ja käyttökustannus
  • Multimounting – jalat siirrettävissä, kääntyvä liitäntäkotelo, joustava kaapelointi
  • TEFC, IP55 – pölynsuojattu ja roisketiivis teollisuusympäristöihin
  • Laaja soveltuvuus – pumput, puhaltimet, kompressorit, kuljettimet, prosessikäyttö

Ympäristö

  • Käyttölämpötila: −20…+40 °C
  • Asennuskorkeus: ≤ 1000 m

Tekniset tiedot

Teho11 kW
Napamäärä4 (synk. 1500 r/min @ 50 Hz)
Nimellisnopeus≈ 1470 r/min
Jännite / kytkentä400/690 V, Δ/Y, 50 Hz, 3~
Nimellisvirta≈ 21,7 A @ 400 V
Nimellismomentti≈ 71,5 Nm
Hyötysuhde≈ 91,5 % (IE3)
Tehokerroin cos φ≈ 0,80
Käynnistysvirta≈ 7,5 × In
Käynnistysmomentti / kippimomentti≈ 320 % / ≈ 340 %
KäyttöluokkaS1 (jatkuva)
EristysluokkaF
KotelointiluokkaIP55
JäähdytysIC411, TEFC (täysin suljettu, ulkopuolinen tuuletin)

Mekaaniset tiedot

SarjaWEG W21 Aluminium Multimounting
RunkokokoIEC 160M/L
RunkomateriaaliAlumiini
AsennusB3 (jalkakiinnitys), liitäntäkotelo ylhäällä, kääntyvä 90° välein
Kaapeliläpiviennit2 × M40×1,5
Paino≈ 119 kg (B3-versio)

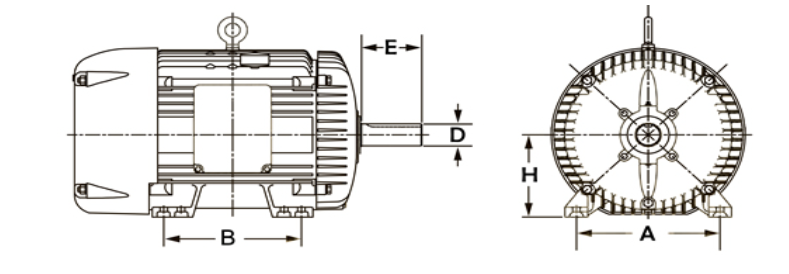
Asennusmitat (IEC 160M/L, B3 – viitteelliset)

H – akselikorkeus160 mm
A – tassujen reikien väli (poikittain)254 mm
B – tassujen reikien väli (pituussuunta)210 mm
D – akselin halkaisija42 mm
E – akselin vapaapituus110 mm

Asennusvinkit

  • Tarkista jalka- ja akselimitoitus sekä kytkentä Δ/Y ennen käyttöönottoa
  • Säädä moottorinsuojakytkin nimellisvirralle; varmista riittävä jäähdytysilmankierto
  • Suosittelemme tärinäeristimiä ja huolellista linjausta laakeriäänen minimoimiseksi