WEG W21 sähkömoottori 15 kW 1500 rpm B3T ALU 160M/L IE3 400/690V
Tuotekoodi: THW150B31500

WEG W21 sähkömoottori 15 kW 1500 rpm B3T ALU 160M/L IE3 400/690V

Tuotekoodi: THW150B31500

Tuotekuvaus

WEG W21 Multimounting – 15 kW IE3, 4-napainen (~1500 r/min), B3T jalkakiinnitys

Tehokas ja energiatehokas yleismoottori raskaampiin teollisuus- ja prosessikohteisiin. Soveltuu erityisen hyvin pumppuihin, puhaltimiin, kuljettimiin, kompressoreihin ja muihin jatkuvassa S1-käytössä oleviin koneikkoihin. Alumiinirunko keventää painoa ja helpottaa käsittelyä, irrotettavat jalat (Multimounting) mahdollistavat useat IEC-asennusmuodot ilman koneistuksia. Kääntyvä liitäntäkotelo (90° välein) helpottaa kaapelointia ylhäältä tai sivuilta.

Miksi tämä malli

  • IE3 Premium Efficiency – pienempi energiankulutus ja elinkaarikustannus
  • TEFC, IP55 – kestävä pölyssä ja roiskevedessä
  • Multimounting – irrotettavat jalat, helppo vaihtomoottori IEC-mitoilla
  • Kevyt mutta jäykkä – alumiinirunko helpottaa asennusta ilman kompromisseja

Tekniset tiedot

Teho15 kW
Napamäärä4 (synk. 1500 r/min @ 50 Hz)
Nimellisnopeus≈ 1470–1480 r/min
Nimellismomentti≈ 97 Nm (laskennallinen: 9550·P/n)
Jännite / kytkentä400/690 V 3~ 50 Hz, Δ 400 V / Y 690 V
Monijännitealue380–400–415 / 660–690 // 480 V
HyötysuhdeluokkaIE3 (Premium Efficiency), IEC 60034-30-1
KotelointiluokkaIP55
JäähdytysIC411, TEFC (täysin suljettu, ulkopuolinen tuuletin)
KäyttöluokkaS1 (jatkuva)
EristysluokkaF

Mekaaniset ominaisuudet

SarjaWEG W21 Aluminium Multimounting
RunkokokoIEC 160M/L
RunkomateriaaliAlumiini
AsennusmuotoB3T (jalkakiinnitys, liitäntäkotelo rungon päällä)
JalatIrrotettavat jalat (Multimounting)
LiitäntäkoteloKääntyvä 90° välein; kaapelointi ylhäältä tai sivuilta

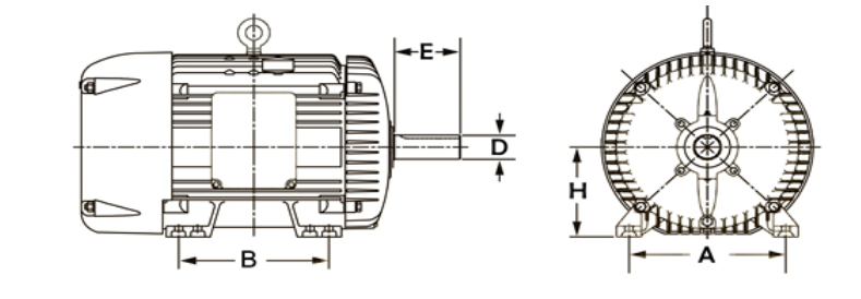
Asennusmitat (IEC 160M/L, B3 – viitteelliset)

H – akselikorkeus160 mm
A – tassujen reikien väli (poikittain)254 mm
B – tassujen reikien väli (pituus)210 mm
D – akselin halkaisija42 mm
E – akselin vapaapituus110 mm