WEG W21 sähkömoottori 15 kW 3000 rpm B3T ALU 160M/L IE3 400/690V
Tuotekoodi: THW150B33000

WEG W21 sähkömoottori 15 kW 3000 rpm B3T ALU 160M/L IE3 400/690V

Tuotekoodi: THW150B33000

Tuotekuvaus

WEG W21 Multimounting – 15 kW IE3, 2-napainen (~3000 r/min), B3T jalkakiinnitys

Tehokas ja energiatehokas yleismoottori vaativaan teollisuus- ja prosessikäyttöön. Soveltuu pumppuihin, puhaltimiin, kuljettimiin, kompressoreihin ja muihin kohteisiin, joissa tarvitaan nopea 3000 r/min moottori. Alumiinirunko keventää painoa ja helpottaa asennusta; irrotettavat jalat (Multimounting) mahdollistavat useat IEC-asennusmuodot ilman koneistuksia. Kääntyvä liitäntäkotelo (90° välein) helpottaa kaapelointia ylhäältä tai sivuilta.

Edut

  • IE3 Premium Efficiency – pienempi energiankulutus ja elinkaarikustannus
  • IC411, TEFC – täysin suljettu, ulkojäähdytteinen rakenne
  • Multimounting – irrotettavat jalat, helppo vaihtomoottori IEC-mitoilla
  • Alumiinirunko – kevyt käsitellä, silti mekaanisesti jäykkä

Tekniset tiedot

Teho15 kW
Napamäärä2 (synk. 3000 r/min @ 50 Hz)
Nimellisnopeus≈ 2950–2960 r/min
Nimellismomentti≈ 48 Nm (9550·P/n)
Jännite / kytkentä400/690 V 3~ 50 Hz, Δ 400 V / Y 690 V
Monijännitealue380–400–415 / 660–690 // 460 V
HyötysuhdeluokkaIE3 (IEC 60034-30-1)
KotelointiluokkaIP56 (varmista mallikohtaisesti; joissain versioissa IP55)
JäähdytysIC411, TEFC
KäyttöluokkaS1, jatkuva
EristysluokkaF

Mekaaniset ominaisuudet

SarjaWEG W21 Aluminium Multimounting
RunkokokoIEC 160M/L
RunkomateriaaliAlumiini
AsennusB3T (jalkakiinnitys, liitäntäkotelo rungon päällä)
LiitäntäkoteloKääntyvä 90° välein; kaapelointi ylhäältä tai sivuilta

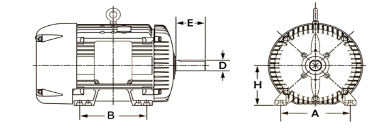
Asennusmitat (IEC 160M/L, B3 – viitteelliset)

H – akselikorkeus160 mm
A – tassujen reikien väli (poikittain)254 mm
B – tassujen reikien väli (pituus)210 mm
D – akselin halkaisija42 mm
E – akselin vapaapituus110 mm