WEG W21 sähkömoottori 1,1 kW 1500 rpm B3T ALU 90S/L IE3 230/400V
Tuotekoodi: THW11B31500
WEG W21 sähkömoottori 1,1 kW 1500 rpm B3T ALU 90S/L IE3 230/400V
Tuotekoodi: THW11B31500Tuotekuvaus
WEG W21 Multimounting – 1,1 kW IE3, 4-napainen (~1500 r/min), B3T jalkakiinnitys
Monikäyttöinen yleismoottori pumppuihin, puhaltimiin, kuljettimiin, koneikoihin ja muuhun teollisuus- ja kiinteistökäyttöön. Alumiinirunko ja irrotettavat jalat mahdollistavat useat IEC-asennuskonfiguraatiot ilman koneistuksia. Kääntyvä liitäntäkotelo (90° välein) helpottaa kaapelointia ylhäältä tai sivuilta. Mitoitus vastaa valurautarunkoisia IEC-moottoreita, joten moottori sopii suoraan useimpien IEC 90S/90L -runkojen tilalle.
Keskeiset edut
- IE3 Premium Efficiency (IEC 60034-30-1) – pienempi energiankulutus
- TEFC, IP55 – pölynsuojattu ja roisketiivis
- Multimounting – irrotettavat jalat, 90° kääntyvä liitäntäkotelo
- Vaihtomoottori-yhteensopiva – IEC 90S/90L -mitoitus
Tekniset tiedot
| Teho | 1,1 kW |
|---|---|
| Napamäärä | 4 (synk. 1500 r/min @ 50 Hz) |
| Nimellisnopeus | ≈ 1430–1450 r/min |
| Nimellismomentti | ≈ 7,3 Nm |
| Jännite / kytkentä | 230/400 V 3~ 50 Hz, Δ 230 V / Y 400 V |
| Jännitealue | 220–230–240 / 380–400–415 // 460 V |
| Hyötysuhde | IE3 (≈ 84–85 % kuormituksesta riippuen) |
| Kotelointiluokka | IP55 |
| Jäähdytys | IC411, TEFC (täysin suljettu, ulkojäähdytteinen) |
| Käyttöluokka | S1 (jatkuva) |
| Eristysluokka | F |
| Liitäntäkotelo | Kääntyvä 90° välein; kaapelointi ylhäältä tai sivuilta |
Mekaaniset ominaisuudet
| Sarja | WEG W21 Multimounting (alumiinirunko) |
|---|---|
| Runkokoko | IEC 90S/90L |
| Asennus | B3T (jalkakiinnitys) |
| Jalat | Irrotettavat (multimounting) |
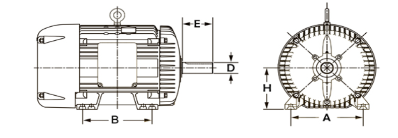
Asennusmitat (IEC 90S/90L, B3 – viitteelliset)
| H – akselikorkeus | 90 mm |
|---|---|
| A – tassujen reikien väli (poikittain) | 140 mm |
| B – tassujen reikien väli (pituus) | 100 mm |
| D – akselin halkaisija | 24 mm |
| E – akselin vapaapituus | 50 mm |
Huom.: 90S vs 90L eroaa pääasiassa kokonaispituudessa (L-mitta); jalka- ja akselimitat ovat samat.