WEG W21 sähkömoottori 2,2 kW 3000 rpm B3T ALU 90S/L IE3 230/400V
Tuotekoodi: THW22B33000
WEG W21 sähkömoottori 2,2 kW 3000 rpm B3T ALU 90S/L IE3 230/400V
Tuotekoodi: THW22B33000Tuotekuvaus
WEG W21 Multimounting – 2,2 kW IE3, 2-napainen (~3000 r/min), B3T (jalkakiinnitys)
Nopea ja kompakti yleismoottori pumppuihin, puhaltimiin, kuljettimiin ja puhallinkaappeihin. Alumiinirunko ja irrotettavat jalat (Multimounting) mahdollistavat useat IEC-asennusmuodot ilman koneistusta. Kääntyvä liitäntäkotelo (90° välein) helpottaa kaapelointia ylhäältä tai sivuilta. IEC 90S/L -mitoitus → helppo vaihtomoottori.
Avainedut
- IE3 Premium Efficiency: pienempi energiankulutus kuin IE1/IE2-malleissa
- Multimounting: irrotettavat jalat, yhteensopiva IEC 90S/L -mitoituksen kanssa
- IP55 + TEFC/IC411: pöly- ja roiskesuoja vaativiin ympäristöihin
- Nopea 2-napainen rakenne ~2900 r/min nimellisnopeudella
Tekniset tiedot
| Teho | 2,2 kW |
|---|---|
| Napamäärä | 2 (synkroninen 3000 r/min @ 50 Hz) |
| Nimellisnopeus | ≈ 2850–2950 r/min |
| Nimellismomentti | ≈ 7,2 Nm (9550·P/n @ ~2900 r/min) |
| Nimellisjännitealue | 220–230–240 / 380–400–415 // 460 V, 50 Hz |
| Kytkentä | Δ 230 V / Y 400 V |
| Hyötysuhdeluokka | IE3 (IEC 60034-30-1) |
| Kotelointiluokka | IP55 |
| Jäähdytys | IC411, TEFC (täysin suljettu, ulkojäähdytteinen) |
| Käyttöluokka | S1 (jatkuva) |
| Eristysluokka | F |
Mekaaniset ominaisuudet
| Sarja | WEG W21 Aluminium Multimounting |
|---|---|
| Runkokoko | IEC 90S/L |
| Runkomateriaali | Alumiini |
| Asennus | B3 (jalkakiinnitys), liitäntäkotelo kääntyvä 90° välein |
| Jalat | Irrotettavat (Multimounting) |
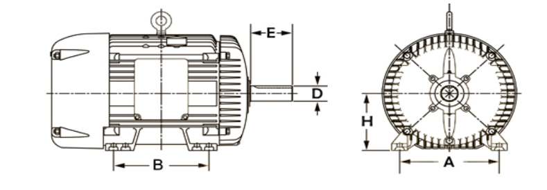
Asennusmitat – IEC 90S/L, B3 (viitteelliset)
| Mitta | Arvo |
|---|---|
| H – akselikorkeus | 90 mm |
| A – tassujen reikien väli, poikittain | 140 mm |
| B – tassujen reikien väli, pituus | 100 mm |
| D – akselin halkaisija | 24 mm |
| E – akselin vapaapituus | 50 mm |
Huom: mitat ovat IEC-tyypillisiä viitearvoja 90S/L/B3-luokassa. Varmista mitat vanhasta moottoripiirustuksesta/kilvestä ennen tilausta.