WEG W21 sähkömoottori 4,0 kW 1500 rpm B3T ALU 112M IE3 400/690V
Tuotekoodi: THW4B31500

WEG W21 sähkömoottori 4,0 kW 1500 rpm B3T ALU 112M IE3 400/690V

Tuotekoodi: THW4B31500

Tuotekuvaus

WEG W21 Multimounting – 4 kW IE3, 4-napainen (~1500 r/min)

Tehokas ja energiatehokas yleismoottori prosesseihin ja talotekniikkaan: pumput, puhaltimet, kuljettimet, sekoittimet ja muut jatkuvassa käytössä olevat koneet. Alumiinirunko on kevyt mutta jäykkä. Irrotettavat jalat (Multimounting) mahdollistavat eri IEC-asennusmuodot ilman koneistusta. Kääntyvä liitäntäkotelo (90° välein) helpottaa kaapelointia ylhäältä tai sivuilta. IEC 112M -mitoitus → suora vaihtomoottori useimpiin 112M/B3-kohteisiin.

Hyödyt

  • IE3 Premium Efficiency: pienempi energiankulutus ja käyttökustannus
  • Multimounting: sama runko moneen asennusmuotoon ilman koneistuksia
  • IP55 + TEFC/IC411: kestävä pölyä ja roiskevettä vastaan
  • Käännettävä liitäntäkotelo: kaapelointi ylhäältä tai sivuilta, nopeampi asennus

Tekniset tiedot

Teho4,0 kW
Napamäärä4 (synkroninen 1500 r/min @ 50 Hz)
Nimellisnopeus≈ 1450 r/min (tyypillinen)
Nimellismomentti≈ 26 Nm (laskennallinen, 9550·P/n)
Taajuus50 Hz
Jännitealue380–400–415 / 660–690 // 460 V
KytkentäΔ 400 V / Y 690 V (EU)
HyötysuhdeluokkaIE3 (IEC 60034-30-1)
StandardiIEC 60034-1
KotelointiluokkaIP55
JäähdytysIC411, TEFC (täysin suljettu, ulkotuulettimella)
KäyttöluokkaS1 (jatkuva)
EristysluokkaF

Mekaaniset ominaisuudet

SarjaWEG W21 Aluminium Multimounting
RunkokokoIEC 112M
RunkomateriaaliAlumiini
AsennusB3T (jalkakiinnitys), liitäntäkotelo kääntyy 90° välein
JalatIrrotettavat (Multimounting)

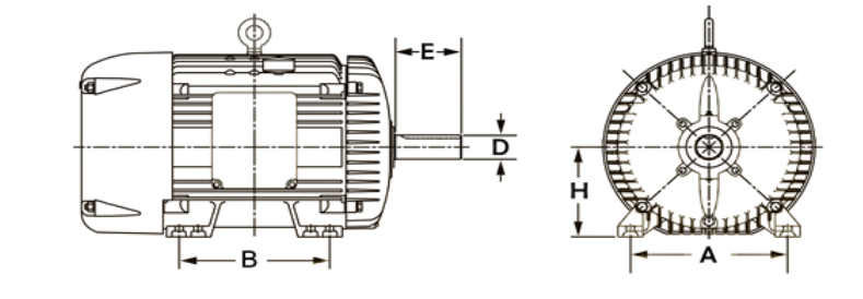
Asennusmitat – IEC 112M, B3 (viitteelliset IEC-standardin mukaan)

H – akselikorkeus112 mm
A – tassujen reikien väli, poikittain190 mm
B – tassujen reikien väli, pituus140 mm
D – akselin halkaisija28 mm
E – akselin vapaapituus60 mm