WEG W21 sähkömoottori 5,5 kW 1500 rpm B3T ALU S132S IE3 400/690V
Tuotekoodi: THW55B31500
WEG W21 sähkömoottori 5,5 kW 1500 rpm B3T ALU S132S IE3 400/690V
Tuotekoodi: THW55B31500Tuotekuvaus
WEG W21 Multimounting – 5,5 kW IE3, 4-napainen (~1500 r/min)
Tehokas ja energiatehokas yleismoottori vaativaan teollisuus- ja prosessikäyttöön. Soveltuu erityisesti pumppuihin, puhaltimiin, kuljettimiin, sekoittimiin, lämmönsiirtimiin ja muuhun koneistoon, jossa tarvitaan luotettava 1500 r/min -moottori.
Keskeiset hyödyt
- IE3 Premium Efficiency: pienempi sähkönkulutus ja alemmat elinkaarikustannukset
- Multimounting: alumiinirunko, irrotettavat jalat ja kääntyvä liitäntäkotelo (90° välein) → helppo konfiguroida ilman rungon koneistusta
- IEC-yhteensopivuus: runkokoko 132S, suora vaihtomoottori valurautarunkoisten IEC-moottorien tilalle
- IP55 + TEFC/IC411: kestävä pölyä ja roiskevettä vastaan teollisuusympäristöissä
Sovelluksia
Vesipumput ja prosessipumput, puhaltimet ja ilmankäsittelykoneet, kuljettimet ja syöttölaitteet, sekoittimet, murskaimet sekä muu yleisteollinen käyttö.
Tekniset tiedot
| Teho | 5,5 kW |
|---|---|
| Napamäärä | 4 (synkroninen 1500 r/min @ 50 Hz) |
| Nimellisnopeus | ≈ 1450–1460 r/min @ 50 Hz |
| Nimellismomentti | ≈ 36 Nm (laskettu 9550·P/n) |
| Taajuus | 50 Hz |
| Jännitealue (katalogi) | 380–400–415 / 660–690 // 460 V, 3~ |
| Kytkentä (EU) | Δ 400 V / Y 690 V |
| Nimellisvirta (viitteellinen) | ≈ 10,4 A (Δ 400 V), ≈ 6,0 A (Y 690 V) |
| Tehokerroin | cos φ ≈ 0,85 |
| Hyötysuhde (tyypillinen) | ≈ 88–89 % @ 50 Hz |
| Hyötysuhdeluokka | IE3 (IEC 60034-30-1) |
| Standardi | IEC 60034-1 |
| Kotelointiluokka | IP55 |
| Jäähdytys | IC411, TEFC (täysin suljettu, ulkojäähdytteinen) |
| Käyttöluokka | S1 (jatkuva) |
| Eristysluokka | F |
Mekaaniset ominaisuudet
| Sarja | WEG W21 Aluminium Multimounting |
|---|---|
| Runkokoko | IEC 132S |
| Runkomateriaali | Alumiini |
| Asennus | B3T = jalkakiinnitys, liitäntäkotelo rungon päällä (kääntyvä 90° välein) |
| Jalat | Irrotettavat (Multimounting) |
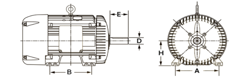
Asennusmitat – IEC 132S, B3 (viitteelliset IEC-standardin mukaan)
| H – akselikorkeus | 132 mm |
| A – tassujen reikien väli, poikittain | 216 mm |
| B – tassujen reikien väli, pituus | 140 mm |
| D – akselin halkaisija | 38 mm |
| E – akselin vapaapituus | 80 mm |
Huom. Mitat ja sähköarvot ovat tyypillisiä arvoja IEC 132S / 4P / IE3 -kokoluokalle. Varmista akseliprofiili (uritus) ja mahdolliset erikoissovitteet ennen tilausta.