WEG W21 sähkömoottori 0,37 kW 3000 rpm B3 ALU 71 IE3 230/400 V
Tuotekoodi: THW037B33000
WEG W21 sähkömoottori 0,37 kW 3000 rpm B3 ALU 71 IE3 230/400 V
Tuotekoodi: THW037B33000Tuotekuvaus
WEG W21 Multimounting – 0,37 kW IE3, 2-napainen (3~ 230/400 V)
Kompakti ja energiatehokas 2-napainen sähkömoottori (nopea, ~3000 r/min synkroninen) pumppuihin, puhaltimiin, kuljettimiin ja muuhun yleiskäyttöön. Alumiinirunko, irrotettavat jalat ja kääntyvä liitäntäkotelo mahdollistavat joustavan asennuksen: sama moottori käy jalkakiinnitykseen (B3T) ja muihin asentoihin ilman erikoisosia.
Keskeiset edut
- IE3-energiatehokkuus (IEC 60034-30-1) pienempään sähkönkulutukseen
- Multimounting: alumiinirunko, irrotettavat jalat, kääntyvä kotelo 90° välein
- TEFC, IP55: pölynsuojattu ja roisketiivis vaativiin ympäristöihin
- S1-jatkuvakäyttö ja vakaa käynti 2-napaisena (nopea)
Tekniset tiedot
| Teho | 0,37 kW |
|---|---|
| Napamäärä | 2 (synk. 3000 r/min; nimellisnopeus tyyp. ~2800–2900 r/min) |
| Jännite / taajuus | 3~ 230/400 V, 50 Hz |
| Kytkentä | Δ 230 V / Y 400 V |
| Hyötysuhdeluokka | IE3 (Premium Efficiency) |
| Runkokoko | IEC 71 |
| Runko | Alumiini, irrotettavat jalat (Multimounting) |
| Asennus | B3T jalkakiinnitys, multiasennusmahdollisuudet |
| Liitäntäkotelo | Kääntyvä 90° välein; kaapelointi sivulta tai päältä |
| Kotelointiluokka | IP55 |
| Jäähdytys | IC411, TEFC (täysin suljettu, ulkopuolinen tuuletin) |
| Käyttöluokka | S1 (jatkuva) |
| Eristysluokka | F (lämpötilanousu tyypillisesti luokka B) |
| Nimellisvääntö | ≈ 1,25 Nm (ohjeellinen @ ~2850 r/min) |
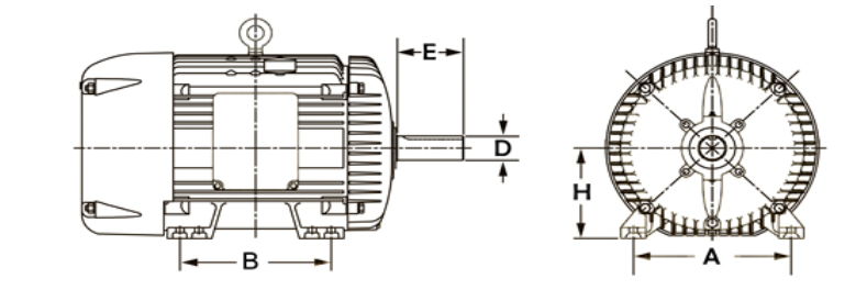
Mekaaniset mitat (IEC 71, B3)
| A – tassujen reikien väli (poikittain) | 112 mm |
|---|---|
| B – tassujen reikien väli (pituussuunta) | 90 mm |
| H – runkokoko / akselikorkeus | 71 mm |
| D – akselin halkaisija | 14 mm |
| E – akselin vapaapituus | 30 mm |
Sovelluskohteet
- Pumput ja prosessikäytöt
- Puhaltimet ja ilmankäsittely
- Kuljettimet, koneikot ja yleiskäyttö
Asennusohjeita
- Tarkista akselin mitat, hihnapyörän/kytkimen sopivuus ja jalustareikien jako
- Varmista oikea kytkentä (Δ/Y) ja moottorinsuojan asetus nimellisvirran mukaan
- Huolehdi riittävästä jäähdytysilman kierrosta; pidä puhallin ja rivat puhtaina
Tuotepakkaus:
paino: 8,00 kg